公司新闻行业热点
2025年环境检测报告
发布时间:2025-10-17 16:16:23 浏览次数:1719

2025年第一季度废气、噪音检测

1.jpg2.jpg3.jpg4.jpg5.jpg6.jpg7.jpg8.jpg9.png

第二季度噪声检测报告

1.jpg2.jpg3.jpg4.jpg

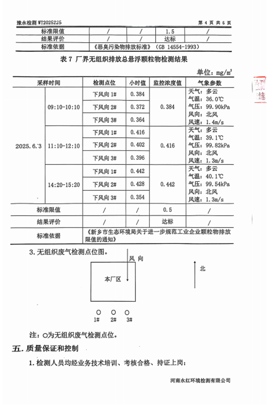
2025年第二季度无组织检测报告

1.jpg2.jpg3.jpg4.jpg5.jpg6.jpg

2025年第三季度无组织、噪声检测

1.jpg2.jpg3.jpg4.jpg5.jpg6.jpg7.jpg

— 热门推荐